
概述:
本系统是我司研制的通过在线监测高压电缆运行状态,可以指导维护部门及时处理和预防安全隐患,防范于未然,为电缆的安全运行提供保障的智能化系统。
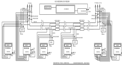
采用先进计算机技术、传感器技术、光纤通讯技术、无线4G通讯技术研发的高压电缆故障定位在线监测系统,可实时监测电缆发生故障时高频故障行波电流信号。
该系统利用电缆故障暂态行波在故障点与电缆两端之间的传播时间,来在线计算故障点到电缆安装采集终端那一端的距离,实现电缆故障的快速准确定位。
系统原理:
行波测距原理是利用高频故障暂态电压、电流的行波信号来间接判定故障点的距离,包括了单端行波测距法和双端行波测距法。故障测距的任务就是当电缆线路某一点发生故障时,通过线路两端的实测电流、电压及线路阻抗等参数计算出故障距离。行波测距是建立在考虑输电线路分布参数,直接利用故障产生的暂态行波信号,并对其进行分析和计算的基础之上的。从70年代,电力系统开始了对行波技术的研究,随着科技发展和新技术在实际中的应有,行波测距技术得到了很大进步,尤其是近年来在输电线路上的广泛应用。